IT depends what MY the car is, this is for a 2002.5 MY
It should be easy enough to make an overlay harness.
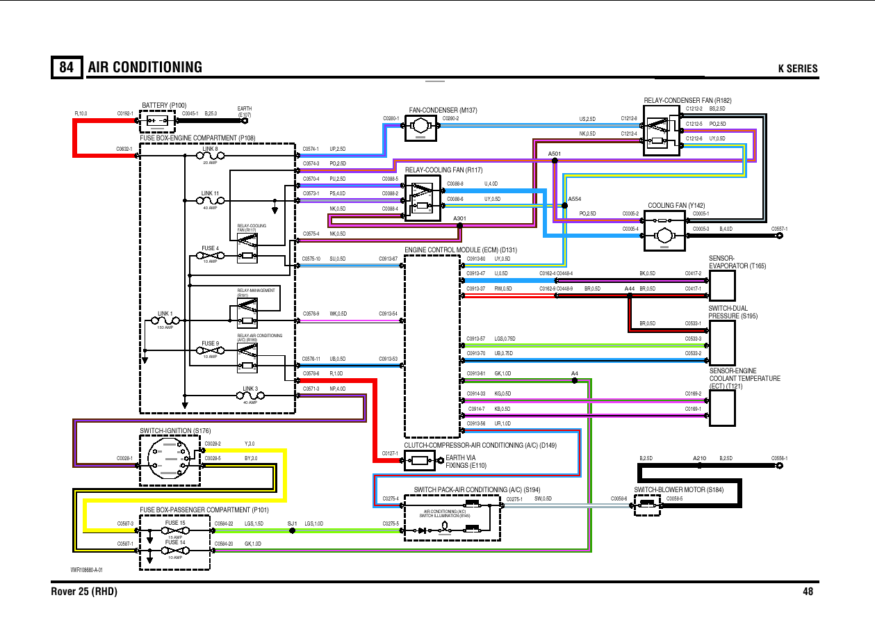
Search found 143 matches
- Wed Jun 11, 2025 9:02 am
- Forum: Technical and Diagnosis
- Topic: Detailed Wiring Diagrams
- Replies: 5
- Views: 2200
- Thu Apr 24, 2025 1:17 pm
- Forum: Technical and Diagnosis
- Topic: Rover 214 Stepper Motor
- Replies: 12
- Views: 3241
Re: Rover 214 Stepper Motor
If any one has a BROKEN one of these they would like to donate, id like to take one to bits and have a look...
- Sat Feb 22, 2025 8:37 pm
- Forum: Rover 200, 400, 25, 45 and Streetwise Chat
- Topic: R8 Cars with Infrared fobs - future support?
- Replies: 40
- Views: 58999
Re: R8 Cars with Infrared fobs - future support?
Is there a fitting option with this? My 93 has been recommissioned and is in a shakedown process at the moment. Everything works fine by using the key presently, are there potential problems just using the key? For me to fit it for you? It could well be arranged. I've fitted a few for people who wo...
- Fri Feb 21, 2025 9:41 pm
- Forum: Rover 200, 400, 25, 45 and Streetwise Chat
- Topic: R8 Cars with Infrared fobs - future support?
- Replies: 40
- Views: 58999
Re: R8 Cars with Infrared fobs - future support?
I would very much like to modify my 1994 214Sli Vin SAXXWYWHBBD056242 (21/07/1994) to the 5AS system. Please update me on how to purchase the kit. The work done in designing and creating this modification sounds truly amazing and invaluable!!! Many many many thanks!!! Dave T Thank you David for you...
- Wed Jan 22, 2025 12:45 am
- Forum: Technical and Diagnosis
- Topic: Immobilised
- Replies: 13
- Views: 6576
Re: Immobilised
AS Chris says, but on an 1994 car, it will look like the box in the picture, but have a large letter "L" on it, and no white connector
- Tue Jan 21, 2025 1:23 am
- Forum: Technical and Diagnosis
- Topic: Immobilised
- Replies: 13
- Views: 6576
- Sun Jan 19, 2025 1:38 pm
- Forum: Technical and Diagnosis
- Topic: Archive of the old Rimmer Bros Parts Listings?
- Replies: 9
- Views: 3436
Re: Archive of the old Rimmer Bros Parts Listings?
Best bit of the EPC's it also shows you to an extent how things go together.....
- Sun Jan 19, 2025 1:37 pm
- Forum: Technical and Diagnosis
- Topic: Immobilised
- Replies: 13
- Views: 6576
Re: Immobilised
OK - early 5AS for sure. We can fix it in the RCOC for you. If you can post us your 5as ecu and fob Order here:- https://store.rover-coupe.com/services/56-162-lucas-5as-ecu-fob-postal-matching-service.html#/27-5as_matching_options-5as_matching_no_supplied_fobs if you have other fobs, we can prorgram...
- Sat Jan 18, 2025 8:52 pm
- Forum: Technical and Diagnosis
- Topic: Have I got a serious problem developing?
- Replies: 34
- Views: 27452
Re: Have I got a serious problem developing?
This is the other side of the board with the Motorola MAP sensor. The one in my ECU is 5141550T02 (the board is dated 9025). The one recommended above is 5143770U01. I assume this is backward compatible. https://i.ibb.co/PtZKGKm/IMGP0020.jpg Interesting thread - I pointed John at that sensor as I k...
- Sat Jan 18, 2025 8:45 pm
- Forum: Technical and Diagnosis
- Topic: Immobilised
- Replies: 13
- Views: 6576
Re: Immobilised
What Chris says,
Please post a picture of the fob, and year of car you are having trouble with
Please post a picture of the fob, and year of car you are having trouble with






